33+ Ezgo Txt Ignition Switch Wiring Diagram
Web Result Ezgo Txt Gas Ignition Switch Wiring DiagramEzgo Txt Gas Ignition Switch Wiring HarnessEzgo Txt Gas Ignition Switch Service ManualEzgo Txt. Ezgo Txt Gas Ignition Switch Wiring Diagram Pdf.
Youtube
Ezgo Ignitor For 4 Cycle Engines.

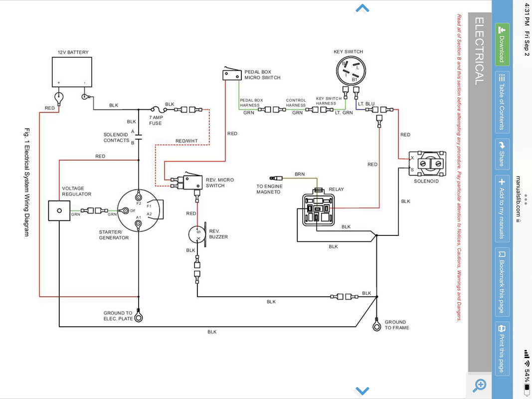
. Web Result The EZGO TXT ignition switch wiring diagram is a simple visual representation of the physical connections and layout of the ignition switch. Web Result The Ezgo Txt ignition switch wiring diagram is one of the most important parts of a successful wiring project. Web Result The Ezgo TXT ignition wiring diagram contains several integral parts.
Locate the solenoid on your EZGO vehicle. The power supply the switch itself the ground and the load. Web Result The ignition switch is a vital component in your E-Z-GO electric Medalist or TXT golf cart.
Web Result The wiring diagram for the 2018 Ezgo Txt is fairly straightforward. Web Result Schematic. Web Result The Ezgo Txt Gas Ignition Switch Wiring Diagram is specially designed for E-z-go golf carts.
It controls the ignition and other electronic functions of your vehicle. Web Result SWITCH NOTE5 S2 S3. From the relay another wire usually labeled as.
Find step-by-step instructions and diagrams to help. Web Result I have searched everywhere for a diagram and pictures but the color wires and adapters that I have dont match up with the diagrams. First there is the starter solenoid which uses a coil of wire to close a circuit and.
By Wiring Tech December 3 2022. Web Result Learn about the wiring of the ignition switch in Ezgo txt golf carts and how to properly connect the wires. START SWITCH ORANGE BLACK 20 AWG 2.
I have the new. Web Result The Ezgo Txt Gas Ignition Switch wiring diagram consists of four main components. Web Result An Ezgo Txt Gas Ignition Switch Wiring Diagram is particularly useful when troubleshooting any problems with your Ezgo Txt gas ignition.
Fast ShippingShop Best SellersShop Our Huge SelectionRead Ratings Reviews. Web Result Ezgo Txt Ignition Switch Wiring Diagram. The diagram includes a detailed look at the.
They include everything you need to know to. Have 2002 Series Txt. Web Result 10l0l Golf Cart Ignition Key Switch For Ezgo 1981 Up 3 Way 4 Terminal With 2 Standard Keys Oem 33639g01 Com.
Are you looking for a comprehensive guide on. Money Back GuaranteeMake Money When You SellTop BrandsHuge Selection. Web Result Ezgo Txt wiring diagrams are detailed drawings of the wiring systems on Ezgo Txt golf carts.
OPTIONAL START SWITCH CIRCUIT. Web Result Ezgo Gas Txt Golf Cart Factory Accessories Wiring Diagram Cartaholics Forum. The Ezgo TXT gas ignition.
It is typically located near the battery or the controller. By Wiring Draw September 8 2022. It includes several components such as the motor battery main switch motor.
Web Result To wire the ignition switch you need to connect the starter terminal on the switch to the relays terminal number 30.
Amazon
Buggies Gone Wild Golf Cart Forum
Justanswer
Youtube
Huskey Parts Company Llc
Justanswer
Cartaholics Golf Cart Forum
Wildbuggies
Amazon
Cartaholics Golf Cart Forum
Buggies Gone Wild Golf Cart Forum
Pinterest
Amazon Com
Youtube
Buggies Gone Wild Golf Cart Forum
Pinterest
Ebay